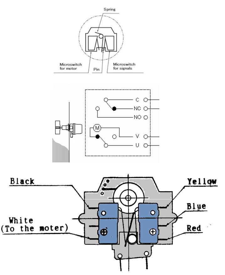
التوصيل الكهربي Electrical Connection وملحقات مفتاح المنسوب الدوار
يتم توصيل التغذية الكهربية إلي المحرك الكهربي ، وكذلك يتم توصيل دائرة إنذار المنسوب .

شكل رقم (12) : نموذج لأطراف التوصيل الكهربي للتغذية Power Supply والإشارة Signal

شكل رقم (13) : مجموعة المفاتيح Microswitches
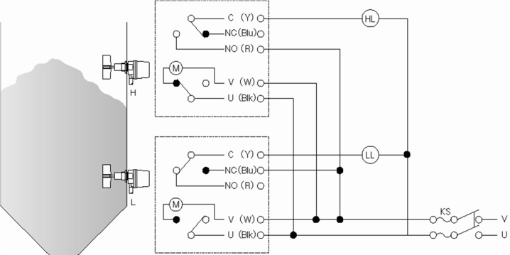
نموذج لدائرة إنذار للمنسوب Alarm circuit

شكل رقم (14) : نموذج لدائرة إنذار للمنسوب Alarm Circuit
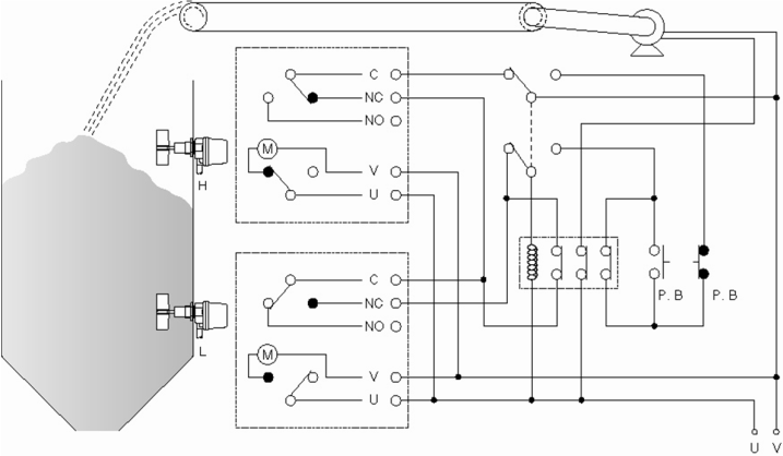
دائرة تحكم في الملء Control Circuit for Filling

شكل رقم (15) : دائرة تحكم في الملء Control Circuit for Filling
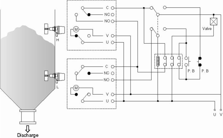
دائرة تحكم في التفريغ Control Circuit for Discharge

شكل رقم (16) : دائرة تحكم في التفريغ Control Circuit for Discharge
الضبط
قد لا يحتاج الجهاز لضبط معين ، حيث يكون الجهاز مخصص للعمل في بيئة معينة ، ولكنه قد يحتوي علي آلية ضبط بحيث نتمكن من استخدامه مع مواد مختلفة .
الشئ الوحيد الذي يتم ضبطه داخل مفتاح الريشة الدوارة هو قوة الشد لياي داخلي ، ويتم ضبط قوة الشد للتتناسب مع نوع المادة المخزنة والتي ستحيط بالريشة الدوارة .
وتختلف خطوات الضبط من جهاز لآخر ، لذا اتبع التعليمات الواردة في دليل الإستخدام والتشغيل .

شكل رقم (17) : ضبط قوة شد الياي الداخلي
الملحقات
لمبة إنذار
قد يحتوي المفتاح علي لمبة بيان تفعيل الإنذار .

شكل رقم (18) : لمبة بيان تفعيل الإنذار
مبين دوران Rotation Check Boar

شكل رقم (19) : مبين دوران Rotation Check Boar
أهم خصائص المفتاح Specifications
• Power Supply : 100~110VAC or 200~220VAC (50/60Hz)
• Contact Rating : 250VAC 3A (Resistance Load, SPDT)
• Paddle Revolution : 0.83rpm (50Hz) /1.00rpm (60Hz)
• Direction of Rotation : Clockwise (Viewing From Paddle)
• Power Consumption : 1.5W
• Operation Torque : 170~270N•m×10-4
• Cable Length : 500mm (MAX)
وبذلك نكون قد أكملنا الموضوع , ولأي استفسار أو ملاحظة دون ذلك في التعليقات .
المراجع
| 1 | https://www.alibaba.com/product-detail/Model-R7-Rotating-Paddle-Level-Switch_142243353.html |
| 2 |
http://www.trumen.in/lsr-Rotating-Paddle-Point-Level-Switch-for-Solids.html |
| شكل رقم (2) |
http://i01.i.aliimg.com/img/pb/535/598/108/108598535_719.JPG |
| شكل رقم (3) | http://www.trumen.in/turmen-img/lsr-2.jpg |
| شكل رقم (4) | http://www.trumen.in/turmen-img/lsr-3.jpg |
| شكل رقم (6) | http://bindicator.com/wp-content/uploads/2014/05/Roto-Paddles-480w-X-320t.png |
لتحميل المقال بالكامل في صورة ملف PDF اضغط علي : كتاب مفتاح المنسوب الدوار Rotary Paddle Level Switch
التالية |
1 |
2 |
3 |
4 |
السابقة |

مواضيع ذات صلة
المبين الهيدروستاتيكي للمنسوب Hydrostatic Level Indicator
ملاحظة
إذا كان لديك اقتراح جيد ، فمن فضلك سجل اقتراحك في تعليق علي الموضوع .
مكتبة محاكاة الأجهزة


